C403, No. 8 Xiyuan 9th Road, Xihu District, Hangzhou City, Zhejiang Province market@idtdisplay.com

RTD2552_V10 TFT LCD Controller Board VGA, DVI and HDMI Inputs and LVDS

RTD2552_V10 TFT LCD Controller Board VGA, DVI and HDMI Inputs and LVDS

The TFT LCD controller board RTD2552 is mainly used to support TFT LCD screen with max resolution 1920x1080p, 1x VGA, 1x DVI and 1x HDMI inputs and LVDS output

Model RTD2552
Maximum resolution 1920*1080
Support size ≤82"
Interface VGA, DVI and HDMI
Input power <5w
LCD interface LVDS
operation temperature -20℃~+75℃
storage temperature -30 ~ +80℃
size 121*70*3.5mm

1.BRIEF INTRODUCTION 

 The TFT LCD controller board RTD2552 is mainly used to support TFT LCD screen with max resolution 1920x1080p, 1x VGA, 1x DVI and 1x HDMI inputs and LVDS output. The board has a powerful signal processing function with REALTEK chip, supporting to deal with a wide variety of standard and non -standard signals. RTD2552 use high specification devices and has good working performance on TFT LCD display.


2.FUNCTION

1.Support HDMI input   

2. VGA input (Max 1080p) 

3. Support button and LED indicator light 

4. Support backlight control and backlight brightness adjustment 

5. Dual LVDS LCD interface 

6. RS232 communication, ISP upgrade 

7. Extend ADC port 

8. External sensor for automatic brightness adjustment


3.CHARACTERISTICS

Input signal

Simulate R, G, B

Support mode

DOS、VGA、SVGA、XGA、SXGA、 UXGA、WXGA、WXGA+、WSXGA+

color

Up to 32bit

Line

25KHz-85KHz

Field

60-75Hz

HDMI and DVI signals

Support mode

Max resolution 1920x1080

Power Supply

input voltage

10-14v

Working power consumption

<5w

Standby  power

consumption

<0.5w

Screen voltage

3.3v/5v/12v

Power operation

Working/ standby mode

other

OSD language

Chinese / English

OSDfunction

Automatic adjustment, color adjustment,   image adjustment, etc


4.APPEARANCE

RTD2552.jpg


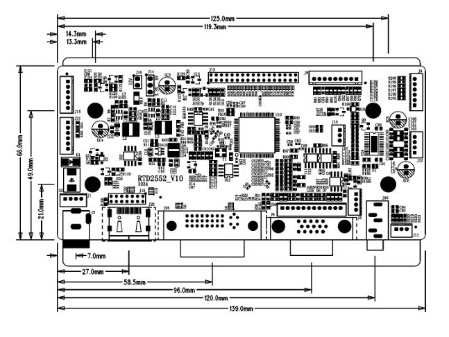
5.SIZE picture

RTD2552.jpg

PCB thickness including the highest part: 

PCB LENGTH:121mm 

PCB WIDTH:70mm 

 PCB Screw hole diameter :3.5mm


NOTICE 

  Relative humidity:<=80% 

  Storage temperature:-30~+80℃

  Work temperature:-20~+75℃ 

  Keep it away from static electricity  No deformation of stress and bend

  No power before right connection of cable 

  No conductible object dropping into the board when it is working 

  No disassembly of the driver board 

  Using dry cloth to clean if there is dirt

Name*
Your E-Mail*
Message*
First Page UT-2556-LVDS VGA, HDMI1, HDMI2, video signal input

Related Products