C403, No. 8 Xiyuan 9th Road, Xihu District, Hangzhou City, Zhejiang Province market@idtdisplay.com

JZ-VD68N Driver Board | VGA & DVI Input up to 1920x1200 | High-Resolution LCD Co

JZ-VD68N Driver Board | VGA & DVI Input up to 1920x1200 | High-Resolution LCD Co

The JZ-VD68N driver board supports VGA and DVI inputs with crystal-clear resolution up to 1920x1200. This reliable LCD controller board is ideal for high-definition monitor repair, digital signage, and industrial display applications.

Model JZ-VD68N
Maximum resolution 1920x1200
Support size ≤82"
Interface VGA、DVI
Input power <36w
LCD interface LVDS
operation temperature -20℃~+65℃
storage temperature -20℃~+65℃
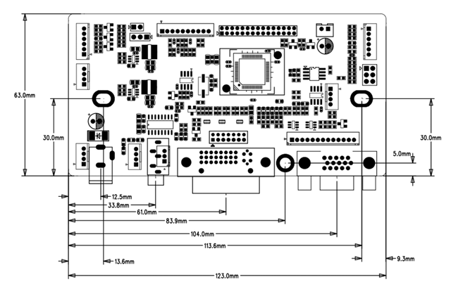
size 123x63.0mm
  1. OVERVIEW

      The driver board JZ-VD68N is mainly used to support TFT LCD screens (resolution up to 1920x1200). It has 1xVGA, 1xDVI input interfaces, supports LVDS output interface. This board adopts MTK signal processing chip which has powerful processing function and supports all kinds of standard and non standard signals. The driver board JZ-VD68N uses high specification components, with good performance. 


Key Features:

 *  Max resolution:1920x1200

 *  Operating temperature: -20 ~65℃

 *  Audio amplifier 2x3W 

 *  Support serial port protocol control 

 *  Support light sensor (optional) 

 *  Remote control function (optional) 

 *  The general resolutions support 85Hz


2.PARAMETERS 

Output signal:

Max resolution:

Max.   1920x1200

Output:

Single/Dual/   LVDS

INPUT

Analog RGB:

0.7Vp-p@75ohm

Separate   / Composite / SOG sync support

DVI:

Up   To 1920x1200@60Hz

DVI   1.0

Horizontal Frequency

30-120KHz

Vertical Frequency

50-75Hz

AUDIO OUTPUT

MAX

2   X 3W @ 8Ω

POWER SUPPLY

Operating Voltage

12V

LCD screen voltage

3.3V/5V/12V

Standby Power Consumption

<   0.2W(only board)

Note: Please test the maximum power consumption according to the actual use


3.PICTURE & LAYOUT


4、DIMENSION

Name*
Your E-Mail*
Message*
First Page UT-2556-LVDS VGA, HDMI1, HDMI2, video signal input

Related Products